متن کامل

مقدمه ای بر کلاس کاری تقویت کننده های قدرت (آمپلیفایرها)

دوست گرامی:

  با توجه به کاربرد تخصصی آمپلیفایر ها برآن شدم تا اطلاعاتی پیرامون کلاس کاری تقویت کننده های قدرت و مقایسه آن ها با

یک دیگر خدمت شما ارائه کنم.

:ABتقویت کننده کلاس

: رایج ترین نوع تقویت کننده های صوتی هستند و کیفیت بسیار بالایی بدست می دهند. حداکثر راندمانABتقویت کننده های کلاس

راندمان این نوع تقویت کننده 78 درصد است، البته در عمل این راندمان به 60 درصد می رسد.

این مدار ها را می توان به دو روش طراحی کرد:

الف- تغذیه تک (سینگل ولتاژ)

ب- تغذیه متقارن (دوبل ولتاژ)

الف- تعذیه تک: ویژگی ها

 1- راه اندازی آمپلیفایر های سینگل ولتاژ بسیار راحت تر است. دراین نوع طراحی خروجی طبقه قدرت بوسیله یک خازن به باند

متصل می شود.

2- خازن خروجی باعث حذف فرکانس کمتر از 20 هرتز می شود و                                         شکل 1

- هوم – (صدای فرکانس پایین مزاحم) از بین می رود.

3- در صورتی که طبقه قدرت بسوزد ولتاژ تغذیه به باند آسیب وارد

نمی کند. (در حالی که در طراحی تغذیه متقارن چنین نیست)

4- عدم وجود ولتاژ آفست

ب- تغذیه دوبل (ویژگی ها)

1- راه اندازی این نوع طراحی دشوار تر است و احتیاج به سیم کشی بیشتری دارد.

2- در صورتی که طبقه قدرت بسوزد احتمال آسیب رسیدن به باند بسیار زیاد است، به این دلیل که ولتاژ تغذیه به باند متصل

می ماند.

3- این آمپلیفایر ها احتیاج به تنظیم آفست خروجی دارند.                                                                                 1

4- به دلیل نبود خازن خروجی فرکانس های کم تر از 20 هرتز به باند منتقل می شوند و باعث ایجاد حرارت بیشتر در طبقه قدرت و

کویل باند می شوند.(سیم پیچ بلندگو)      

 برای تنظیم ولتاژ آفست است.RPمقاومت متغیر

                                                                       شکل 2

محاسبه توان خروجی:

(RMSتوان خروجی همیشه بر حسب توان موثر است.(

PMPOاین درحالیست که بر روی سیستم های تجاری توان بر حسب

نوشته می شود. این توان هیچ پایه علمی ندارد و در هیچ یک از کتاب های

الکترونیک اشاره ای به آن نشده است.

محاسبه توان خروجی را بر فرض عیده آل بودن قطعات محاسبه می کنیم: در طراحی آمپلیفایر های تغذیه تک ولتاژ بایاس خروجی همیشه نصف ولتاژ

منبع تغذیه قرار دارد پس توان خروجی برابر است با:

(ولتاژ منبع تغذیه به توان 2) تقسیم بر (8 ضرب در امپدانس بلند گو)

بنابراین توان خروجی شکل یک بدست می آید:

(12 ولت به توان دو که برابر 144 می شود) تقسیم بر (8 ضرب در امپدانس بلندگو که برابر 32 می شود)

4.5 = 32/144W RMS                                                                                                          

در شکل 2 ولتاژ دو منبع تغذیه باهم جمع می شوند و عدد حاصل در معادله قرار می گیرد:

(6 بعلاوه 6 برابر با 12 سپس عدد 12 به توان دو می رسد که برابر 144 می شود) تقسیم بر

(8 ضرب در امپدانس بلندگو):

4.5 = 32/144W RMS

بطور مثال آمپلیفایر مونو 60 وات توسکا کیت با ولتاژ 50 ولت کار می کند پس توان خروجی آن برابر است با:

78.125 = 32/2500W RMS

ولی به علت تلفات ولتاژ در قطعات مختلف این عدد به 60 وات کاهش میابد. البته بسیاری از سود جویان توان های بسیار غیر واقعی

بر روی محصولات خود می زنند.

 

 

2

:D تقویت کننده های کلاس

 دارند.ABاین نوع تقویت کننده ها مدار بسیار پیچیده تری نسبت به تقویت کننده های کلاس

) کار می کنند، و با استفاده از یک فیلترPWMاین نوع تقویت کننده ها بر اساس اثر سیگنال بر روی دیوتی سایکل موج مربعی (

پایین گذر در خروجی این نوع تقویت کننده سیگنال صوتی آشکار می شود. مزیت این روش این است که قطعات قدرت یا روشن

هستند و یا خاموش، بنابراین توان تلف شده در قطعه (اگر عیده آل فرض شود) برابر 0 خواهد بود. به این ترتیب راندمان این مدار

به 100% می رسد. ولی دیستورسیون این طراحی مخصوصا در فرکانس های بالا بسیار زیاد است و معمولا از این مدار برای

ساخت سیستم های صوتی قابل حمل کم کیفیت استفاده می شود. البته با پیشرفت تکنولوژی در آینده می توان امیدوار بود که با ساخت

ترانزیستورهای پرقدرت و همچنین پرسرعت این ایراد برطرف شود.

طراحی این نوع مدار درصورتی که بخواهیم کیفیت قابل توجه ی از آن بدست آید بسیار پیچیده خواهد بود.

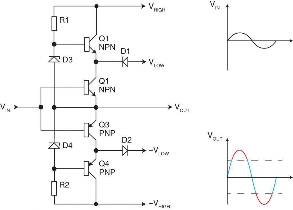
:Hتقویت کننده های کلاس

در این نوع از طراحی از دو سطح ولتاژ پایین و ولتاژ بالا در مدار استفاده می شود. هنگامی که دستگاه با توان کم کار می کند مدار

از سطح ولتاژ پایین استفاده می کند و هنگامی که توان بالا مورد نیاز باشد، ولتاژ بالا وارد عمل می شود. (شکل3)

3                                                                                                 شکل 3                           

با استفاده از این نوع مدار راندمان بیشتر، و حرارت کم تری در قطعات تولید می شود.اما با وجود راندمان بالا نکات منفی قابل

توجه ای هم دارد: قطعات استفاده شده دوبرابر بیشتر شده و طبعا قیمت تمام شده دو برابر می شود. سیم کشی مدار بسیار پیچیده تر

 ست.ABمی شود. و همچنین منبع تغذیه گران تری هم نیاز دارد. در مجموع بهترین و اقتصادی ترین طراحی، کلاس

دوست گرامی، طراحی یک آمپلیفایر کار آمد دانش و مهارت زیادی را می طلبد، از سال 1380 تا اکنون مطلاعات زیادی در

این زمینه انجام شده و استاندارد های مهمی پایه ریزی شده است، از جمله آن می توان به تعیین مقدار بهره آمپلیفایر، نحوه رفتار

دستگاه در لحظه روشن شدن، تعیین ضریب اطمینان برای عمر بالا و ... اشاره نمود. هنگامی که یکی از آمپلیفایر های توسکا کیت

را خریداری می کنید، در واقع حاصل یک عمر تجربه خستگی نا پذیر را از آن خود کرده اید. توسکا کیت همیشه به آینده می نگرد

 را تقدیم شما گرداند.Hi-Fiتا بهترین آمپلیفایر های

 

توسکا کیت تخصصی ترین تولید کننده آمپلیفایر و سیستم های صوتی

سربلند و پیروزباشید

 WWW.TooskaKit.Com

 دوستان عزیزی که علاقمند به داشتن فایل مقاله فوق به صورت pdf هستند میتوانند از لینک زیر اقدام به دانلود فایل آموزشی فوق بنمایند 

 لینک دانلود فایل

تعداد بازدید: 4966

نظرات

مرورگر شما بسیار قدیمی است!
جهت مشاهده این وب سایت به صورت صحیح، بروزرسانی مرورگرتان ضروری خواهد بود. بروزرسانی مرورگر
×